取樣錐是LC-MS(液相色譜-質譜聯用)/ICP-MS(電感耦合等電離子體質譜)上的核心關鍵器件,該件在使用過程中需要經常維護和更換取樣錐,采購渠道主要從國外進口。采購周期較長,費用也較高,且國際一線設備商一般都與國外專業加工廠商簽有排他性協議,不得為競爭對手加工同樣或類似的零件,設備國產化研制進程緩慢。
1. 圖樣工藝分析
如圖1所示,零件材料為進口的SUS316L,該零件的主要加工難點有:

(1)316L不銹鋼材質,導熱系數低,加工硬化嚴重,特別是錐孔底部的薄弱處。
(2)定制的64°內錐孔成形刀尖部磨損嚴重,刀尖斷裂的風險很高,錐孔底部尺寸難加工到位。
(3)φ 0.35mm的鉆頭(粗加工)及φ 0.4mm的鉆頭(擴孔)剛度差,截面積小,散熱慢,鉆頭磨損嚴重,斷裂的風險極高。
(4)內外圓同軸度不高、錐底部結構薄弱,存在變形、孔徑超差、圓度超差、破邊及毛刺不易去除等問題,這些問題都會影響到零件裝機后的測試靈敏度,關系到整機性能。
(5)φ 0.4mm的圓柱長度只有0.02mm,沒法實現,經與研發部門討論后改為0.1(+0.1,+0.05)mm,但加工難度仍然很高。
2. 加工過程
(1)數控車。按圖2所示的工藝圖加工至圖樣要求,也可按圖3所示加工。圖2中右端面、圖3中右端面及錐面都留有0.2mm的加工余量,此工序加工時建議采用圖2所示工藝加工,φ10.5mm的圓柱長度有利于后續工序裝夾,圖3在調頭加工下一工序時,裝夾長度過短、裝夾精度降低。加工時需一次裝夾,加工出各部位的尺寸。

(2)加工中心調頭加工,以φ 10.5mm的外圓定位裝夾、校正并找正圓心,鉆φ 0.35mm、深1mm的微孔,如圖4所示。
鉆不銹鋼微孔時的注意事項: 微孔鉆頭刃部細長、剛性差、易偏斜及斷裂,又因為不銹鋼材質導熱差、硬化層嚴重及鉆頭排屑不暢,導致升溫快、磨損嚴重等問題。
針對上述問題選用了日本CKK品牌的微孔鉆頭,如圖5所示,該鉆頭專為微孔加工開發,鉆頭采用柄部加粗結構, 增加鉆頭剛性,適用于不銹鋼、鈦合金及合金鋼等材質,該規格鉆頭推薦的加工參數:轉速11 000r/min,進給速度45mm/min,為了提高鉆頭的壽命,在實際加工中將進給速度下降至20mm/min,轉速不變,切入時進給速度vf=10mm/min,每次進刀0.05mm,退刀一次,切入后變為vf=20mm/min,每進刀1mm,退刀一次,轉速仍為11 000r/min,加工模式為G83鉆孔, 經鉆削驗證, 加工過程順利,沒有斷鉆頭,孔的尺寸也很穩定。
φ 0.35mm微孔鉆削中還有兩個關鍵點需要注意:①中心孔必須鉆正,且鉆尖橫刃要足夠小,不然起不到定心作用。②盡可能的采用高速機床及專用高精度刀柄,如圖6、圖7所示。該機床轉速最高18 000r/min。

(3)加工中心找正外圓及圓心, 去內錐孔余量。先分別鉆φ 7.5mm、φ 4mm、φ 2mm及φ1mm的孔,深度如圖8所示;再粗精鏜φ 7.5mm孔到φ 8(±0.02)mm、深7.12(-0.05,-0.1)mm、用兩把φ 8mm硬質合金棒(不銹鋼專用)改制成的錐孔刀粗精鉆64°錐孔(見圖9)。

64° 錐孔的深度尺寸很關鍵,用成形刀鉆削時,因為刀尖不準確,對刀時誤差會很大,過淺會導致錐孔與φ 8mm圓柱接不順;過深會導致錐孔底部φ 0.4mm孔圓柱長度消失, 零件直接報廢,為此,設計了圖10所示錐孔深度檢驗工裝,通過加工中不斷調整深度及檢測,來精確控制64°錐孔深度。
64°錐孔成形刀如圖11所示,該刀具是在工具磨床上磨削出來的, 為防止加工中刀尖崩裂,將刀尖尖部做了磨平處理,磨平后的刀尖不大于0.3mm,粗鉆錐孔時轉速800r/ min 、vf=30mm/min,每次進刀0.2mm,退一次刀; 精鉆錐孔時轉速不變,vf=30mm/mi n,每次進刀0.2mm,退一次刀。粗精加工都采用G83模式鉆孔,勤排屑。

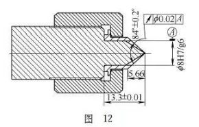
(4)數控車。按圖12所示,制作專用工裝心軸,用螺紋環軸向鎖緊,精車外錐及總長。車外錐時有2個關鍵點需要注意:①精車外錐時,車刀要采用大前角的35°菱形刀片,刀尖R0.2mm,減小切削阻力,防止錐口擠壓變形。②心軸與零件圓柱內孔面的配合間隙控制在0.01mm以內,且心軸軸線與主軸旋轉軸線的同軸度要控制在0.005mm以內,越高越好,一旦間隙及心軸軸線同軸度誤差過大,會導致偏心,錐孔口部會破邊(圖樣單邊厚度只有0.05mm),零件直接報廢。③按圖12所示加工的心軸會存在過定位情況,可將心軸外錐部分車小0.05mm或0.1mm左右,靠端面及圓柱部分定位,加工時就能很好地保證總長公差。
(5)加工中心。采用圖12所示的心軸工裝,校正并找正圓心,用圖6或圖7所示的高速鉆銑中心、高精度刀柄、φ 0.4mm日本CKK鉆頭,擴φ (0.4±0.01)mm達圖1所示圖樣要求。

此工序加工注意事項:錐口處很薄弱,φ 0.4mm孔在鉆削中進給量不能過快,如果過快,可能是擠壓而不是鉆削,會導致孔徑超差、圓度超差、孔口脹裂及毛刺嚴重等問題。
(6)終檢。其他的尺寸及公差檢驗都較容易,φ 0.4mm孔不易用常規的檢驗方法( 通止規等) , 此次借助了顯微鏡檢驗(共加工7件,抽取4件做對比),結果如附表所示。了;但第1件孔徑超差(偏小),第4件有毛刺,圓度超差。

3. 疑點解析
( 1 ) 為何要選擇進口SUS316L材料。該零件在使用中需要電加熱, 還有液態流體穿過,必須防銹及耐一定的腐蝕及高溫氧化;錐口薄弱處結構對材質的考驗很高, 所以選用進口SUS316L。
( 2 ) 加工過程中的第2 工序——粗鉆φ 0.35mm孔,為何不放在第3工序與內錐孔一起加工,還能減少一次裝夾?如果放在第3工序加工,必須先將內錐孔加工好,再鉆中心孔,然后鉆φ 0.35mm孔,一是中心鉆及鉆頭要懸長些, 刀具裝夾精度會降低;二是切屑會積在內錐孔里,較難排出,鉆頭斷裂風險高;三是鉆頭在鉆穿底面時,鉆頭兩刃的切削力會不平衡,材料被鉆穿時的撕裂力會影響鉆頭剛度,甚至斷裂。如放在第2工序就沒有這樣的風險,且操作方便。
(3)內錐孔及φ 0.4mm為何不采用電火花放電工藝?因為放電過程中, 電極存在損耗, 尺寸、圓度、表面粗糙度都很難控制好。即使采用損耗小的鎢銅電極或硬質合金電極、主軸帶C軸功能的電火花機床,雖能提高尺寸精度及圓度,但表面粗糙度值要達到Ra=0.8μm還是較難,雖然鏡面電火花工藝能實現Ra=0.8μm的表面粗糙度值,但外協成本較高,且沒有實際驗證過該工藝,較難判定合理性,相比鉆削加工沒有優勢,故采用鉆削工藝。
(4)毛刺去除。φ 0.4mm孔圖 12 作為最終加工工序,加工后的孔去毛刺要非常仔細,須借助投影儀或放大鏡放大毛刺并去除,因零件全部表面粗糙度值都不得超過Ra=0.8μm,所以要選用3 000目以上的砂紙修磨毛刺。不得采用酸性藥水及超聲波去毛刺,會腐蝕及破壞錐口薄弱處。
4. 結語
該工藝還可用在截取錐、萃取錐等鎳質材料上,該類零件對材質、刀具、工藝方法及細節控制要求很高,高質量的材質及專用刀具可通過進口獲得,但工藝方法、細節控制等需要更多的鉆研及掌控,這些措施做好了,國產化加工的零件是完全可以替代進口配件的。