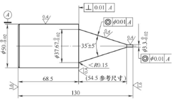
精密帶肩錐度零件是萬能外圓磨床磨削加工中較常見的一種零件類型。在此類零件中,較典型的是錐度大小端過渡處要求清根或過渡圓弧很小,有較高的臺肩面垂直度要求,錐度大小端交點尺寸及角度要求精密,尺寸較封閉,錐度面軸向長度大于砂輪寬度,有別于一般類型的錐度磨削,屬于外圓磨削加工中的難點之一。圖1所示是我公司生產的一種帶肩錐度零件,零件材料為CrMn鋼,熱處理硬度58~62HRC,單件生產。
⑥加強國際合作,注重人才培養。“十一五”期間,通過走出去、請進來及合作研究的方式,培養、造就了一批掌握國際先進水利技術的優秀水利科技人才,使我國水利科技對世界先進水平有著靈敏反應并與其基本保持同步。
由圖1可以看出,全部外圓都有同軸度0.01mm的要求,所以應在一次裝夾中完成所有外圓及錐面的磨削,保證各外圓同軸度要求。35°錐度面與臺肩面交點處R<0.15mm,錐度面與臺肩面應在一次走刀中完成,否則存在兩面過渡交接問題。兩面過渡不好,R會明顯增大或出現“二臺”現象,造成廢品。35°錐度面小端同樣存在過渡交接問題。在萬能外圓磨床上加工,無論是轉動砂輪架或是轉動磨床頭架磨削錐度部分,錐度面與臺肩面都不是在一次走刀中完成的,存在兩面過渡交接問題。文中采用錐度面成形磨削法:通過一次走刀成形磨削錐度面。解決了兩面過渡交接出現的“二臺”現象。但是在加工過程中,常會出現一些問題,影響零件質量。

圖1
磨削時常出現以下問題:
(1)調試時,錐面采用橫向進給時,錐度面出現母線不直現象,錐面中間凸凹。
三十年前,中國工藝美術大師邱含與中國陶瓷藝術大師陳敏在當時的瓷壇還是后起之秀。出于對民間青花的無限熱愛,更是因為在老一輩陶藝大師秦錫麟的悉心教導下茁壯成長,之后創辦了“玉風窯”。“玉風窯”的創立,猶如新生的嬰孩,對未來無限憧憬。初創之時,結盟了現景德鎮陶瓷大學教授何炳欽,也吸引了現中國工藝美術大師曾瑾與中國陶瓷藝術大師彭競強、彭松父子一并投身民間青花的研究與創作。在隨后的十年間,更是吸引了陸如、唐自強、賴德全等中國工藝美術大師,這些瓷壇泰斗。在“玉風窯”日漸茁壯的成長過程當中,都收獲了很多滿意的民間青花作品。
(2)砂輪進給時,臺肩端面常出現凸凹現象,垂直度超差。砂輪尖角磨損快,臺肩端面根部圓角較大,表面粗糙。
(3)修整成形砂輪后,再通過上工作臺面微調錐度合格后,磨削的小圓柱面φ3.30 -0.02mm產生錐度,超過了允許范圍。
整個喪禮,桃花像個木頭人,人家叫她怎么做,她就怎么做;只有一件事她做不了,那就是哭喪。自始至終,桃花都沒有哭過。人們對她說話,她充耳不聞,她也不說話,就連兒子黃方永哭著喊著叫她媽媽,她也不理不睬的。事后,人們擔心的事還是發生了;桃花常常忘了回家,確切地說,是找不到家,一個人在田野上瞎走,嘴上喃喃自語:“回去吧!回去……”大家都說桃花丟了魂。黃石、黃羊和黃鹿不得不去把她找回來。而桃花突然清醒過來,是有一天她在田里勞動時,被體內的腳踢了一下;她愣住了,直起身來,輕輕地撫摸肚子;忽然又一腳,她蒼白的臉才一點點地活動起來,就有了活物的神色。
(4)錐面軸向磨削尺寸大于我公司磨床砂輪寬度尺寸,采用橫向磨削時,不能一次完成錐面全長,尺寸封閉,加工困難。
在空間選擇方面,因現代航運服務集聚示范區主要以航運、船舶交易等為主題,這就決定其需要在空間上與相關航運資源相近,因此,廣西航運服務集聚區應布局在與船舶停泊區附近地區。此外,要把廣西航運服務集聚區打造成航運高端服務示范區,就必須把航運服務集聚區的功能與城市服務功能相融合,同時依靠城市高端服務的支持,因此,廣西航運服務集聚區布局還要與城市高端服務功能在空間上相毗鄰。
(1)砂輪的旋轉軸線與前后頂尖中心線的等高度誤差造成的雙曲線誤差。原因為:①砂輪主軸翹頭或低頭過度,使修整后的砂輪母線不直,誤差復映在工件母線上。②金剛石筆修整砂輪時與砂輪中心不等高,使修整后的砂輪母線不直,產生雙曲線誤差。③由于床面磨損使前后頂尖中心線不在同一水平高度造成的工件翹頭或低頭過度,工件軸線與砂輪旋轉軸線空間異面交叉,使磨削后的工件母線不直。④工件的旋轉軸線偏移砂輪旋轉軸線所在的水平面過高或過低,產生的零件錐面雙曲線誤差。
崔:關于比賽,一直以來我有這樣一個困惑。許多有德國學習背景的鋼琴家或學生,總喜歡強調“正統”“特殊細節”,甚至說到“準則”。比如在演奏莫扎特《F大調奏鳴曲》(K332)時,他們總喜歡說“某些句子的開頭必須加重音”,并將其視為顛撲不破的“準則”,反之則是“錯誤的演奏”。但這樣一來,結果就是有許多學生,以千篇一律的方式演奏同樣的作品。您怎么看待這樣的觀點?在比賽中,您有最為看重的“準則”嗎?
改進措施及應對方法:①請專業機床維修人員檢查維修機床,恢復精度。②機床操作者自己檢查調整金剛石筆刀尖高低,更換高低合適的砂輪修整器,使金剛石筆修整砂輪時與砂輪中心等高。③查看工件端面試磨花紋,單刀花紋說明磨削區域在工件端面的上方或下方,相互交叉的雙刀花紋說明砂輪在整個工件端面接觸,工件端面和砂輪端面平行,此時排除砂輪旋轉軸線精度后,就可以認為砂輪旋轉軸線與工件的旋轉軸線已經等高了。具體做法是,砂輪側面修成內凹30′后,搖動機床縱向走刀手輪試磨工件端面,根據試磨刀紋情況在頂尖尾架底部左邊或右邊墊薄紙,直至試磨出交叉的雙刀花紋為止。
(2)砂輪的選擇:成形磨削中,砂輪的選擇應與工件材料硬度保持一致,粒度太粗,砂輪太軟,不易保持形狀精度。精磨高速鋼材料時,使用磨粒PA,粒度F240,硬度L,組織號4,結合劑V。精磨CrMn鋼材料時,選擇磨粒WA,粒度F120,硬度K,組織號4,結合劑V。
(3)其他方面:冷卻不充分,進刀不均勻,接刀不正確均會引起錐度面母線不直。充分冷卻、進刀均勻以及接刀吻合是正確操作的前提。

圖2
(1)改善端面圓角超大,提高表面質量的主要措施是劃分粗、精磨。由于工件端面與錐面過渡處圓角R<0.15mm,表面粗糙度值Ra僅為0.4μm,劃分粗、精磨可以減少粗磨應力和磨削熱,減少變形。粗磨后留0.06~0.08mm余量,經精細修整砂輪后精磨。金剛石筆每次切入砂輪量為0.02~0.03mm,移動速度為6~25mm/min,修整2~4次后再無切入修整一次。砂輪側面修成內凹30′,以減少砂輪與工件端面的接觸面積,提高磨削質量。磨端面時,應先手搖縱向進給手輪走刀靠磨大部分端面,接著橫向進刀與錐面接觸并同時磨削錐面和端面,最后再用手輕輕敲打縱向進給手輪靠磨端面。
隨著國際化的發展,工科院校也越來越重視英語的教學。在英語教學中,語用能力的培養與語言能力的培養一樣重要。對于工科院校的英語學習者來說,面對日益激烈的國際競爭,提高英語的語用能力更加是迫不及待的。工科院校英語學習者的語言能力可能相對來說水平并不低,但語用能力卻未能達到相應應有的水平。因此工科院校的英語教學者應當意識到英語學習者語用能力的重要性,并探究中國英語能力等級量表的判斷標準,制定有效的教學策略,以提高工科院校英語學習者的語用知識和語用能力。
(2)端面凸凹、垂直度超差的主要原因與改進措施。①機床縱橫導軌不垂直造成的工件軸肩端面與工件軸線的垂直度誤差,橫向進給時端面不垂直。這時請機床維修人員調整維修,恢復精度。②砂輪或工件翹頭或低頭過度,端面采用手動縱磨時,磨削區域在工件端面的上方或下方,工件端面花紋常見為單向曲線,磨出的工件端面往往呈內凸。解決方案與錐度面母線不直的原因與改進措施類似,排除機床精度原因后,一般以端面試磨出交叉的雙刀花紋為準。③工件或砂輪均不翹頭或不低頭,工件旋轉軸線與砂輪旋轉軸線在同一水平平面內不平行,臺肩面凸起有三種情況,一是工件的旋轉軸線順時針偏轉了一定角度(見圖2a);二是砂輪架逆時針偏轉了一定角度(見圖2b);三是二者同時偏轉了一定角度(見圖2c)。相反的是,如果工件或砂輪架旋轉軸線的偏轉角度與圖2中的情況相反,則會出現臺肩端面內凹的情況。改進措施:①仔細找正上工作臺刻度,使工件旋轉軸線與工作臺運動方向平行,即縱向磨削時,圓柱外圓不帶錐度。②端面試磨后,根據工具顯微鏡透光檢測結果,逐步調整砂輪架轉角位置,直至軸肩端面垂直度合格,此時,砂輪主軸中心線與工作臺運動方向平行。這時的工件旋轉軸線與砂輪旋轉軸線在同一水平面內處于平行狀態,磨出的端面自然就垂直了。
其他方面:冷卻不充分,進刀過快,光磨時間不夠,工件頂過松或過緊等,也會有一定影響,也需要仔細檢查原因,一一排除。
修整成形砂輪后,通過上工作臺面微調錐度合格后,磨削的小圓柱面φ3.30 -0.02mm產生錐度的原因與改進措施。
錐度成形砂輪大概修整完后,如果錐度相差較小,人們往往會錯誤地通過上工作臺面精密微調錐度來達到錐角合格,這時工件中心軸線與機床工作臺縱向運動軌跡就會產生不平行現象,致使工件在橫向進刀時,小圓柱面φ3.30 -0.02mm產生錐度,這也是前述臺肩面不垂直的原因之一。
改進措施:調整工件旋轉軸線與工作臺縱向直線運動方向平行,試磨工件并使工件在運動方向上無錐度。即縱向磨削時,試磨圓柱外圓不帶錐度后,鎖死上工作臺面,在此后的所有工步走刀中,上工作臺都處于鎖死狀態,即使在修整砂輪時,也只允許轉動砂輪架調節達到角度合格,不允許轉動上工作臺微調角度。通過只轉動砂輪架調節角度合格后,重新用金剛石筆修整一次砂輪前端的小平頭部分,至此,砂輪前端的小平頭部分與機床工作臺縱向直線運動方向平行,這樣用砂輪的平頭部分磨出的圓柱面φ3.30 -0.02mm部分,不管是橫向走刀或縱向走刀,就都不帶錐度了。

圖3
錐面磨削軸向尺寸大于砂輪寬度,錐度大小頭尺寸及角度精密,尺寸較封閉,加工困難。
采取措施:錐度大小頭尺寸分別加工完成,錐度面分段完成。首先完成端面及錐度大端交點尺寸,如圖3a所示,然后再完成小圓柱尺寸φ3.30 -0.02mm,如圖3b所示,最后手動縱向走刀使兩段錐面精密吻合,這時用涂色法或觀察火花法來仔細對接兩段錐面即可。需要注意的是,此時的加工順序很重要,不應顛倒,如果先加工完錐面小端,那么在加工錐面大端時就可能出現兩段錐面不重合的問題。
(1)在保證機床精度狀態良好的情況下,試磨端面,頂尖尾架底部兩邊根據情況選擇一邊墊薄紙,一般頭架磨損小,不需墊紙,直到端面出現交叉雙刀紋為止(工件軸線與砂輪軸線等高)。
手術時間270 ~ 570 min,平均387 min;術中出血量900 ~ 2 700 mL,平均1 701 mL。截骨部位:T4 1例,T7 1例,T8 4例,T9 4例,T10 5例,T11 6例,T12 2例。所有患者隨訪> 24個月。所有患者術后12個月截骨部位均獲得骨性融合,X線片可見截骨端骨橋形成,截骨面間隙模糊或消失。典型病例影像學資料見圖2。
(2)磨削工件φ500 -0.02mm直圓柱面,微調上工作臺角度,調整工件旋轉軸線與工作臺運動方向平行,試磨工件并使工件在運動方向上無錐度,完成φ500 -0.02mm圓柱外圓,并鎖死上工作臺(工件軸線與機床工作臺縱向直線運動方向平行)。
(3)用金剛石筆把砂輪左側面修成30′的內凹面,重新試磨端面,用工具顯微鏡透光檢測端面合格后,記下砂輪架此時的初始位置(工件軸線與砂輪軸線在同一水平面內處于平行狀態的位置)。
(4)檢查金剛石筆高低合格后,粗、精修整成形砂輪,砂輪架逆時針轉17.5°修整,并回歸砂輪架到初始位置處,試磨零件角度。如果角度不合格,就再一次旋轉砂輪架來修整角度,一直調整到角度合格為止。注意:每次只允許通過轉動砂輪架來修整角度,不允許轉動機床上工作臺來配合調整角度(轉動砂輪架修整角度)。
(5)當修整角度合格后,再重新修整一次砂輪最前端的平頭部分,粗、精磨端面及錐面大頭部分及小圓柱面和錐面小頭部分,并使兩段錐面精密吻合。磨錐面大端面時,應先手動縱向走刀輕輕靠磨大部分臺肩端面,接著橫向進刀與錐面接觸并同時磨削錐面和端面,最后再手動縱向進刀輕輕靠磨端面后結束(修整砂輪前端平頭部分并開始磨削帶肩錐度面至結束)。
通過本方法磨削加工的精密帶肩錐度零件,完全滿足圖樣的技術要求,是一種有效的加工方法。經過對精密帶肩形沖外圓磨削加工中的難點分析及應對措施的實施,為在普通萬能外圓磨床上加工這類精密帶肩錐度零件提供了一種新的解決方案。