摘要:本文對復雜型面的鈦合金零件加工工藝進行了分析,通過合理的夾具設計、專用成形刀具的設計制作以及機床及夾具的調整,圓滿地完成了型腔的加工,保證了零件的設計公差要求。
本次銑削任務源自于某飛行器翼面裝配弧面及定位槽的銑削加工成形,加工材料為TC4(鈦合金)。該零件形狀復雜,材料切削性能差,裝夾要求高,為了保證加工質量,提高加工效率,對其生產過程做了以下分析。
鈦合金的切削特點如下:①變形系數小。切屑在前刀面上滑動摩擦的路程增大,加速刀具磨損。②切削溫度高。由于鈦合金的導熱系數較小,切屑與前刀面的接觸長度短,切削熱不易傳出,集中在切削區和切削刃附近的較小范圍內,切削溫度較高。相同切削條件下,切削溫度比切削45鋼時高出一倍以上。③單位面積切削力大。雖然主切削力比切削鋼時約小20%,但由于切屑與前刀面的接觸長度短,單位接觸面積上的切削力大幅增加,易造成崩刃。同時,由于鈦合金的彈性模量小,加工時在徑向力作用下容易產生彎曲變形,引起振動,加大刀具磨損并影響零件精度。因此,要求工藝系統應具有較好的剛性。④冷硬現象嚴重。由于鈦化學活性大,在高的切削溫度下,極易吸收空氣中的氧和氮而形成硬而脆的外皮;同時切削過程中產生的塑性變形也會造成表面硬化。冷硬現象不僅會降低零件的疲勞強度,還會加劇刀具磨損,是切削鈦合金時的一個很重要的特點。⑤刀具易磨損。鈦合金對刀具材料的化學親和性強,在高切削溫度以及單位面積大切削力的條件下,刀具易產生粘結磨損。
加工鈦合金的刀具材料可選用硬質合金刀具或高速鋼刀具,根據鈦合金的切削特點,在刀具結構參數要求上,采取了以下措施:①選用硬質合金刀具時,為避免切削時工件與刀具中的鈦元素發生親和,不宜采用Y T類硬質合金和涂層刀片,應采用YG類、YH類合金;為提高切削刃強度并改善散熱條件,銑刀前角γo=0°~5°,后角αo=4°~10°,刀尖圓弧半徑控制在0.5mm;硬質合金銑刀切削參數應按以下原則選用:切削速度v=12~15m/min,進給速度vf=20~75mm/min。②選用高速鋼刀具時,切削速度v=6~30m/min,進給速度vf= 20~60mm/min。
切削液使用大量極壓乳化液,潤滑好,冷卻效果佳。
考慮到工藝系統剛度要好,刀具懸伸量較小,以防切削振動。加工工藝過程如表1所示。
切削參數如表2所示。
按加工飛行器翼面的弧面要求,翼面弧面R104.9mm與彈艙外殼弧面相吻合。傳統的工藝方法是采用臥式鏜床加工,但是,經觀察發現:這種加工方法的生產效率極低,一天只能加工4~5件,影響整體進度需求。為此,需通過對銑刀進行改制(見圖1),變更工藝路線,以銑代鏜來加工弧面R104.9mm。改正加工方法后,生產效率提高5倍多,每天可加工20~25件,不僅保證了用戶的時間進度要求,同時成功探究出一條以銑代鏜的工藝路線。
表1 加工工藝流程

工序 加工內容 刀具 裝夾方法1 銑削弧面 φ22mm硬質合金立銑刀 壓板裝夾2 銑削定位槽 φ60mm硬質合金三刃面銑刀 壓板定位裝夾
表2 刀具切削參數

切削參數刀具 切削速度v/(m·min-1) 進給速度vf/(mm·min-1) 背吃刀量af/mm硬質合金 14 45 3高速鋼 15 30 5
翼面定位槽的加工,槽深21.1mm,槽長280mm,槽寬6+0.0750 mm。槽用于翼面與飛行器艙體的裝配定位,須保證槽底尺寸R30mm,市場上無法購買到需要的銑刀,自制一把特殊的帶柄硬質合金三面刃銑刀(見圖2),刀柄直徑16mm,銑刀直徑60 mm,厚度5mm,刀頭的材料選擇YG類,銑刀前角γo=3°,后角αo=8°,刀尖圓弧半徑為0.5mm,可以很好地保證槽底尺寸R30mm的精度要求。

圖 1

圖2 帶柄硬質合金三面刃銑刀
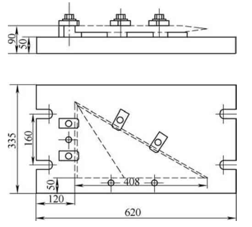
由于翼面的兩面是斜面,必須選擇專用夾具進行裝夾,所以自制一個專用夾具(見圖3)。夾具設計要點:夾具體要承受較大的切削力,因此要有足夠的強度、剛度和穩定性。夾具體的安裝面應足夠大,且盡可能做成周邊接觸的形式。銑床夾具通常通過定位鍵與銑床工作臺T形槽的配合來確定夾具在機床上的位置。定位鍵與夾具體配合多采用H7/h6。為了提高夾具的安裝精度,定位鍵的下部(與工作臺T形槽配合部分)可留有余量進行修配,或在安裝夾具時使定位鍵一側與工作臺T形槽靠緊,以消除間隙的影響。銑床夾具在夾具體上設有耳座,并通過螺栓將夾具牢固地緊固在機床工作臺的T形槽中。

圖3 自制專用夾具
根據圖樣要求,為保證零件的加工精度,需調整銑頭與工作臺面不垂直度,通過實測,立銑頭與工作臺面不垂直度誤差0.1mm/300mm。通過計算調整,確保了立銑頭角度,使其與工件臺面的不垂直度誤差控制在0.02mm/300mm以內,通過用百分表校正兩點,如圖3所示,使其與工作臺面平行,并用四塊壓板,壓緊工件進行銑削加工。加工時,通過用杠桿表校正,控制6mm槽與20mm不對稱度,使其達到0.03mm以內,保證了槽寬和基準面的不對稱度,從而使零件達到圖樣要求。
該零件形狀不規則、裝夾困難、公差要求高、材料切削性能差、部分型腔加工困難且無現成刀具。通過合理的夾具設計、專用成形刀具的設計制作以及機床及夾具的調整,圓滿地完成了型腔的加工,保證了零件的設計公差要求。針對生產效率低、不能保證及時交貨的情況,通過對刀具的改制,以銑代鏜,合理地改變了工藝路線,在保證零件公差要求的同時,提高了生產效率,保證了零件的加工精度要求。