鈑金加工是針對金屬薄板(通常在6mm以下)的一種綜合冷加工工藝,包括剪切,沖裁,折彎,焊接,鉚接,模具成型及表面處理等。其其顯著的特征就是同一零件厚度一致。
非模具加工:通過數沖、激光切割、剪板機、折彎機、鉚釘機等設備對鈑金進行的工藝方式,一般用于樣品制作或小批量生產,成本較高。加工周期短,反應迅速。
模具加工:通過固定的模具,對鈑金進行加工,一般有下料模,成型模,主要用于大批量生產,成本較低。前期模具成本高,零件質量有保證。前期加工周期長,模具成本高。
下料:數沖、激光切割、剪板機
成型-折彎、拉伸、沖孔:折彎機、沖床等
其他加工:壓鉚、攻牙等
焊接:鈑金的連接方式
表面處理:噴粉、電鍍、拉絲、絲印等
鈑金的下料方式主要有數沖、激光切割、剪板機、模具下料等,數控為目前常用方式,激光切割多用于打樣階段(也可加工不銹鋼鈑金件),加工費用高,模具下料多用于大批量加工。
下面我們主要以數沖來介紹鈑金的下料.
數沖又叫轉塔數控沖床,可用來下料、沖孔、拉伸孔、滾筋、沖百葉窗等,其加工精度可達+/-0.1mm。
數控可加工的板材厚度為:
冷軋板、熱軋板 ≤4.0mm
鋁板 ≤5.0mm
不銹鋼板 ≤2.0mm

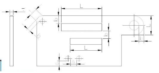
沖孔有最小尺寸要求。沖孔最小尺寸與孔的形狀、材料機械性能和材料厚度有關。(如下圖)

2.數沖的孔間距與孔邊距。零件的沖孔邊緣離外形的最小距離隨零件外形邊緣不平行時,該最小距離應不小于材料厚度t;平行時,應不小于1.5t。(如下圖)

3.拉伸孔時,拉伸孔離邊緣最小距離為3T,兩個拉伸孔之間的最小距離為6T,拉伸孔離折彎邊(內)的最小安全距離為3T+R(T為鈑金厚度,R為折彎圓角)

4.拉伸折彎件及拉深件沖孔時,其孔壁與直壁之間應保持一定的距離。(如下圖)

鈑金的成型主要是鈑金的折彎、拉伸。
1.1 鈑金的折彎主要使用折彎機床。
折床的加工精度;
一折:+/- 0.1mm
二折:+/- 0.2mm
二折以上:+/- 0.3mm
1.2 折彎加工順序的基本原則:由內到外進行折彎,由小到大進行折彎,先折彎特殊形狀,前工序成型后對后繼工序不產生影響或干涉。

1.3 常見折彎刀形狀:

常見V槽形狀:

1.4 折彎件的最小彎曲半徑:
材料彎曲時,其圓角區上,外層受到拉伸,內層則受到壓縮。當材料厚度一定時,內r越小,材料的拉伸和壓縮就越嚴重;當外層圓角的拉伸應力超過材料的極限強度時,就會產生裂縫和折斷,因此,彎曲零件的結構設計,應避免過小的彎曲圓角半徑。公司常用材料的最小折彎半徑見下表。

折彎件的最小彎曲半徑表:

彎曲半徑是指彎曲件的內側半徑,t是材料的壁厚。
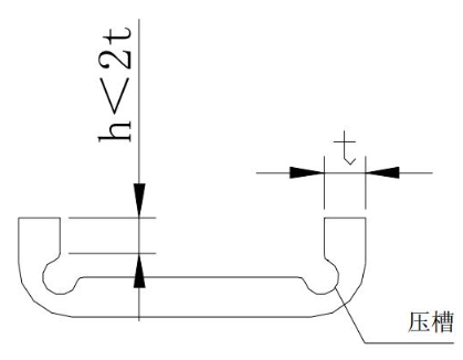
1.5 折彎件的直邊高度:
一般情況下的最小直邊高度不宜太小,最小高度要求:h〉2t

如果需要彎曲件的直邊高度h≤2t,則首先要加大彎邊高度,彎好后再加工到需要尺寸;或者在彎曲變形區內加工淺槽后,在折彎。

1.6 彎邊側邊帶有斜角的最小折彎直邊高度:
當彎邊側邊帶有斜角的彎曲件時,側面的最小高度為:h=(2~4)t>3mm

1.7 折彎件上的孔邊距:
孔邊距:先沖孔后折彎,孔的位置應處于彎曲變形區外,避免彎曲時孔會產生變形??妆谥翉澾叺木嚯x見下表。

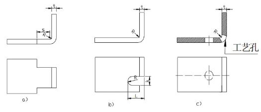
1.8 局部彎曲的工藝切口:
折彎件的彎曲線應避開尺寸突變的位置。局部彎曲某一段邊緣時,為了防止尖角出應力集中產生彎裂,可將彎曲線移動一定距離,以離開尺寸突變處(圖a),或開工藝槽(圖b),或沖工藝孔(圖c)。注意圖中的尺寸要求:S≥R;槽寬k≥t;槽深L≥t+R+k/2。

1.9 帶斜邊的折彎邊應避開變形區:

1.10 鈑金褶邊(打死邊)的設計要求:
鈑金褶邊的死邊長度與材料的厚度有關。如下圖所示,一般死邊最小長度L≥3.5t+R。
其中t為材料壁厚,R為打死邊前道工序(如下圖右所示)的最小內折彎半徑。

1.11 添加的工藝定位孔:
為保證毛坯在模具中準確定位,防止彎曲時毛坯偏移而產生廢品,應預先在設計時添加工藝定位孔,如下圖所示。特別是多次彎曲成型的零件,均必須以工藝孔為定位基準,以減少累計誤差,保證產品質量。

1.12 標注彎曲件相關尺寸時,要考慮工藝性:

如上圖所示所示, a)先沖孔后折彎,L尺寸精度容易保證,加工方便。b)和c)如果尺寸L精度要求高,則需要先折彎后加工孔,加工麻煩。
1.13 彎曲件的回彈影響回彈的因素很多,包括:材料的機械性能、壁厚、彎曲半徑以及彎曲時的正壓力等。折彎件的內圓角半徑與板厚之比越大,回彈就越大。從設計上抑制回彈的方法示例
彎曲件的回彈,目前主要是由生產廠家在模具設計時,采取一定的措施進行規避。同時,從設計上改進某些結構促使回彈角簡少如下圖所示:在彎曲區壓制加強筋,不僅可以提高工件的剛度,也有利于抑制回彈。

鈑金的拉伸主要由數控或普沖完成,需要各種拉伸沖頭或模具。
拉伸件形狀應盡量簡單、對稱,盡可能一次拉伸成形。
需多次拉伸的零件,應允許表面在拉伸過程中可能產生的痕跡。
在保證裝配要求的前提下,應該允許拉伸側壁有一定的傾斜度。
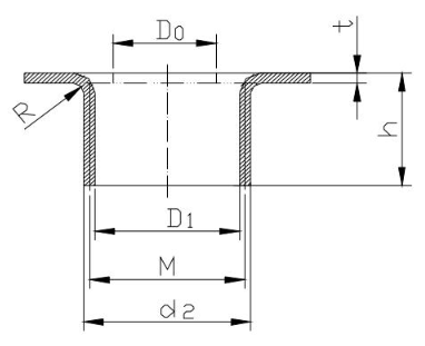
2.1 拉伸件底部與直壁之間的圓角半徑大小要求:
如下圖所示,拉伸件底部與直壁之間的圓角半徑應大于板厚,即r1≥t。為了使拉伸進行的更順利,一般取r1=(3~5)t,最大圓角半徑應小于或等于板厚的8倍,即r1≤8t。

2.2 拉伸件凸緣與壁之間的圓角半徑
拉伸件凸緣與壁之間的圓角半徑應大于板厚的2倍,即r2≥2t,為了使拉伸進行得更順利,一般取r2=(5~10)t,最大凸緣半徑應小于或等于板厚的8倍,即r2≤8t。(參見上圖)
2.3 圓形拉伸件的內腔直徑
圓形拉伸件的內腔直徑應取D ≥d+10t,以便在拉伸時壓板壓緊不致起皺。(參見上圖)
2.4 矩形拉伸件相鄰兩壁間的圓角半徑
矩形拉伸件相鄰兩壁間的圓角半徑應取r3 ≥3t,為了減少拉伸次數應盡可能取r3 ≥H/5,以便一次拉出來。

2.5 圓形無凸緣拉伸件一次成形時,其高度與直徑的尺寸關系要求
圓形無凸緣拉伸件一次成形時,高度H和直徑d之比應小于或等于0.4,即H/d ≤0.4,如下圖所示。

2.6 拉伸件材料的厚度變化:
拉伸件由于各處所受應力大小各不相同,使拉伸后的材料厚度發生變化。一般來說,底部中央保持原來的厚度,底部圓角處材料變薄,頂部靠近凸緣處材料變厚,矩形拉伸件四周圓角處材料變厚。
2.7 拉伸件產品尺寸的標注方法
在設計拉伸產品時,對產品圖上的尺寸應明確注明必須保證外部尺寸或內部尺寸,不能同時標注內外尺寸。
2.8 拉伸件尺寸公差的標注方法
拉伸件凹凸圓弧的內半徑以及一次成形的圓筒形拉伸件的高度尺寸公差為雙面對稱偏差,其偏差值為國標(GB)16級精度公差絕對值的一半,并冠以±號。
加強筋--在板狀金屬零件上壓筋,有助于增加結構剛性。
百葉窗--百葉窗通常用于各種罩殼或機殼上起通風散熱作用。
孔翻邊(拉伸孔)--用以加工螺紋或提高孔口的剛性。
3.1 加強筋:
加強筋結構及其尺寸選擇

打凸間距和凸邊距的極限尺寸按下表選取。

3.2 百葉窗
百葉窗成型方法是借凸模的一邊刃口將材料切開,而凸模的其余部分將材料同時作拉伸變形,形成一邊開口的起伏形狀。
百葉窗的典型結構參見下圖

百葉窗尺寸要求:a≥4t;b≥6t;h≤5t;L≥24t;r≥0.5t。
3.3 孔翻邊(拉伸孔)
孔翻邊形式較多,常見的是要加工螺紋的內孔翻邊。



鈑金上輔件的鉚接,如鉚螺母、鉚螺柱、鉚導向柱等。

2.鈑金上螺紋孔的攻牙。
鈑金板厚t<1.5時,采用翻邊攻牙。鈑金厚度t≥1.5時,可采用直接攻牙。
在鈑金焊接結構設計時,應該貫徹“對稱布置焊縫、焊點,并避免匯交、聚集、重疊,次要的焊縫、焊點可中斷,主要的焊縫、焊點應連接。”
鈑金中常用焊接有電弧焊,電阻焊等。
鈑金間要有足夠的焊接空間,焊接間隙最大應在0.5~0.8mm,焊縫要均勻平整。

焊接面要求平整,無皺褶、回彈等。
電阻焊的尺寸如下表:

電阻焊點間距
在實際應用中,焊接小零件時,可參考下表數據。
在焊接大尺寸零件時,點距可適當加大,一般不小于40-50mm,非受力部位,焊點間距可放大到70-80mm。
板厚t、焊點直徑d、最小焊點直徑dmin、焊點間的最小距離e,若板材為不同厚度組合,按最薄板選取。

電阻焊板材層數及料厚比
電阻點焊的板材一般為2層,最多3層,焊接頭各層的板材厚度比應在1/3~3之間。
如確需3層板焊接,應先檢查料厚比,如合理可焊接,如果不合理,應考慮開工藝孔或工藝缺口,2層焊接,錯開焊接點。
這里主要介紹鈑金在加工過程中的連接方式,主要有鉚釘鉚合、焊接(上面已述)、抽孔鉚合、TOX鉚合。
這種鉚釘常稱為拉釘,將兩塊板材通過拉釘鉚合在一起稱之為拉鉚,常見鉚合形狀如圖:

其中的一零件為抽孔,另一零件為沉孔,通過鉚合摸使之成為不可拆卸的連接體。
優越性:抽孔與其相配合的沉孔的本身具有定位功能。鉚合強度高,通過模具鉚合效率也比較高。

通過簡單的凸模將被連接件壓進凹模。在進一步的壓力作用下,是凹模內的材料向外“流動”。結果產生一個既無棱角,又無毛刺的圓連接點,而且不會影響其抗腐蝕性,即使對表面有鍍層或噴漆層的板件也同樣能保留原有的防銹防腐特性,因為鍍層和漆層和板件也同樣能保留原有的防銹防腐特性,因為鍍層和漆層也是隨之一起變形流動。材料被擠向兩邊,擠進靠凹模側的板件中,從而形成TOX連接圓點。如下圖所示:

對鈑金表面進行處理可以起到防腐保護和裝飾作用。鈑金常見的表面處理有:粉末噴涂、電鍍鋅、熱浸鋅、表面氧化、表面拉絲、絲印等。
對鈑金進行表面處理前應清除鈑金表面的油污、銹跡、焊渣等。
鈑金的表面噴涂有液體和粉末漆兩種,我們常用的是粉末漆.通過噴粉、靜電吸附、高溫烘烤等方式,在鈑金表面噴上一層各種顏色的涂料,用來美化外觀,且能增加材料的防腐蝕性能。是常用的表面處理方式。
注:不同廠家噴涂出的顏色多少會存在一定色差,所以同一臺設備的同一顏色的鈑金應盡量在同一廠家噴涂。
鈑金的表面鍍鋅是常用的表面防腐處理方法,且能起到一定的美化外觀作用。鍍鋅可分為電鍍鋅和熱浸鋅。
電鍍鋅的外觀比較光亮平整,鍍鋅層較薄,較為常用。
熱浸鋅的鍍鋅層較厚,且可產生鐵鋅合金層,抗腐蝕能力強于電鍍鋅。
這里主要介紹一下鋁和鋁合金的表面陽極氧化。
鋁和鋁合金的表面陽極氧化可以氧化成各種顏色,起到防護作用又有很好的裝飾作用。同時可以在材料的表面產生陽極氧化膜,陽極氧化膜有較高的硬度和耐磨性,又有良好的電絕緣性和絕熱性。
將材料放在拉絲機的上下輥輪之間,輥輪上附著有砂帶,通過電機帶動,讓材料通過上下砂帶,在材料表面拉出一道道痕跡,根據砂帶的不同,痕跡粗細也不相同,主要作用是美化外觀。一般都是鋁材才考慮用拉絲的表面處理方式。
在材料表面絲印上各種標識的工藝,一般有平板絲印和移印兩種方式,平板絲印主要用于一般平面上,但如果遇上有較深的凹坑的地方,就需要用到移印。
絲印須有絲印模。
參考附件:
GBT13914-2002 沖壓件尺寸公差
GBT13915-2002-T 沖壓件角度公差
GB-T15005-2007 沖壓件未注公差極限偏差
GB-T 13916-2002 沖壓件形狀和位置未注公差
常見鈑金設備加工范圍
