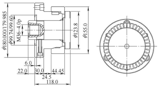
圖1所示為旋轉套筒組合件,該零件具有尺寸精度要求高、薄壁易變形和裝配形位公差要求高的特點,且產品材料為難加工的A100鋼,該產品是飛機起落架轉彎結構中的重要零件。起落架在裝配時,經常出現轉彎性能達不到裝配要求的情況,經分析主要問題在于旋轉套筒和扇形齒輪內、外圓不同軸,導致與外筒等發生嚴重干涉。通過反復論證,找到了解決旋轉套筒組合件超差的方法。

圖1 旋轉套筒組合件

圖2 鏜工夾具裝夾方式
(1)基體加工。旋轉套筒熱處理后,車工先加工外圓初基準,以外圓初基準來找正加工內孔尺寸,再以內孔尺寸加工外圓φ221f7、φ216h8等尺寸。由于找正基準不統一,且能找正的基準范圍小于加工區域,導致誤差累積,造成加工后配合部位內孔與外圓不同軸,部分工藝尺寸需要借加工,很難保證產品加工質量。
(2)組合件加工。鉗工冷縮法安裝完襯套后,襯套內孔及端面留有0.5mm的加工余量,需采用圖2所示裝夾方式進行內孔及端面的精加工,但此時只能找正有加工余量的襯套內孔,無法復查零件外圓基準情況,而襯套冷縮安裝有一定變形,導致基準誤差的累積,使產品的形位公差要求難以保證。
抽查3件組件進行計量,以內孔φ150H8、φ155+0.10 +0.04mm為基準,在基準N、B圓度保證的情況下,相關尺寸同軸度如附表所示。
由附表可見,零件組合件狀態下,同軸度尺寸超差嚴重,無法滿足裝配需求,導致部分旋轉套筒零件報廢。該產品僅模鍛件23萬元/件,給公司造成較大的經濟損失。為解決此類問題,制定了加工工藝解決方案,并對輔助夾具進行重新設計和應用。
針對產品超差問題,分析旋轉套筒的加工流程及加工尺寸,選擇以基體底孔φ155+0.1+0mm尺寸為基準尺寸,使用膨脹心軸定位夾具,統一基體及組合件加工定位基準,盡可能減少誤差累積,制定以下改進方案。
(1)夾具設計及制造。為了提高φ155+0.1 +0mm孔與心軸的定位精度,采購了肯納公司φ155mm膨脹心軸(見圖3),由于該膨脹心軸定位精度高、重復裝夾誤差小,依據膨脹心軸使用要求自行設計、制造膨脹心軸基礎板(見圖4),用來安裝φ155mm膨脹心軸(見圖5)。
夾具要求:φ155mm膨脹心軸定位部分與基礎板φ305mm同軸度≤0.02mm,φ155mm定位心軸與底面的垂直度≤0.02mm,并保證在φ305mm與找正端面P跳動≤0.03mm時,φ155mm定位心軸跳動≤0.01mm。
(2)基體加工工藝改進。熱處理后首先找正零件外圓基準,加工如圖6所示的右側φ155H9(
)mm內孔及端面,再以φ155H9(+0.1 +0)mm內孔及端面定位,使用φ155mm膨脹心軸加工零件左側內、外圓尺寸。這樣加工既保證了加工基準的統一,又保證了零件裝夾、找正的準確和便捷。
車工使用夾具如圖7所示,數控鏜使用夾具如圖8所示,均只需一次性找正好夾具,僅對零件進行更換即可,產品的裝夾找正變得很方便,產品質量也得到了有效控制。
檢測結果 (單位:mm)

零件編號 φ150H8圓度 φ155+0.10+0.04mm圓度φ221f7處同軸度φ216h8處同軸度φ196-0 -0.2mm處同軸度1 0.006 0.003 0.11 0.12 0.11 2 0.007 0.004 0.14 0.14 0.12 3 0.005 0.003 0.08 0.09 0.07

圖4 膨脹心軸基礎板

圖5 夾具

圖3 膨脹心軸裝配圖

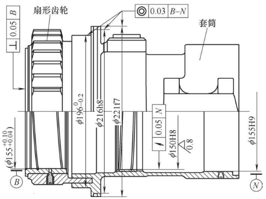
圖6 旋轉套筒尺寸
(3)組合件加工工藝改進。如圖9所示,基準N處襯套先不安裝,用于φ155mm膨脹心軸裝夾定位,復查φ221f7處外圓跳動≤0.02mm,車工先加工襯套孔φ155+0.10 +0.04mm、φ150H8(+0.063 +0 )mm及襯套端面;鉗工再安裝基準N處襯套,以前面車工加工的襯套孔φ155+0.10 +0.04mm定位,使用φ155mm膨脹心軸加工基準N處φ150H9(+0.1 +0)mm襯套孔及襯套端面。保證了襯套孔加工與基體加工基準的統一,零件裝夾、找正準確和便捷。
通過改進工藝和夾具,使旋轉套筒組合件質量完全滿足圖樣要求,產品質量穩定,加工效率也大幅提高,徹底解決了該起落架轉彎性能不易達到裝配要求的難題,保證了轉彎機構運動的靈活性,且提高了該結構零件的互換性,減少了零件的選配和修配環節,為起落架同構型的制造提供了參考。

圖7 車工加工

圖8 數控鏜加工

圖9 基準N孔處不壓裝襯套示意