汽車變速箱導塊是典型的叉類異形零件,在變速箱工作過程中,它與撥叉配合使用完成掛擋動作。它的體積不大,但是形狀復雜,各項精度要求較高,包括面到孔中心的距離、孔與撥槽的形位公差等。使用三坐標檢測,設備少且效率低,如使用專用綜合檢具,能夠一次將所有關鍵尺寸快速準確檢驗,檢驗效率高、方法簡單、易于操作,適用于批量生產。
綜合檢具設計一般可以分為3個步驟:①分析零件尺寸,確定基準面、定位面、關鍵尺寸及測量方式。②設計檢具結構,確定檢具的測量基準、定位基準及測量方式。③計算各工作部位尺寸。下面以一種導塊為例,介紹導塊類零件綜合檢具的設計方法。
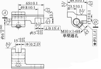
如圖1所示,根據零件形狀,考慮其工作狀態,現確定綜合檢具檢測尺寸如下:距離尺寸分別為(65±0.1)mm、(23.5±0.1)mm和(17.5±0.1)mm,垂直度為0.15mm,對稱度為0.2mm。

圖 1
為了操作方便,將零件立起來檢測,夾具結構如圖2所示。

(b)
圖 2
1.插銷 2.配磨調整墊 3、4、6.測量銷 5.定位心軸
(1)用零件φ 16mm孔(基準A)定位,確定中心;用插銷通過螺紋M10×1—6H聯接限制其旋轉自由度。
?。?)若測量銷3通過零件,則垂直度為0.15mm時合格。
(3)測量銷4放在支撐板上,零件頂面不得高于支撐板,并用0.2mm塞尺檢測工件與測量銷4的間隙。若0.2mm塞尺不通過,則距離尺寸為65mm時合格。
?。?)Ⅰ處和Ⅱ處與工件端面距離支撐塊尺寸一樣,用測量銷4測量其尺寸,通端通,止端止,則距離尺寸分別為23.5mm和17.5mm時合格。
?。?)若測量銷6通過零件,則對稱度為0.2mm時合格。
如圖3所示,此綜合檢具用插銷定位工件,插銷頂部采用錐度聯接,定位襯套裝在定位心軸內,插銷螺紋旋入時,插銷錐面與定位襯套錐面貼合,達到定位目的。
(a)

(b)
圖 3
此檢具制作時,需保證各端面至定位心軸的距離。如圖4所示,通過配磨調整墊,保證襯套孔中心至定位心軸安裝插銷孔的距離為(49.8±0.01)mm;通過配磨支撐塊端面,保證支撐塊上端面至定位心軸安裝插銷孔的距離為(65±0.01)mm;通過配磨襯套端面,保證襯套端面至定位心軸尺寸為27.4mm、33.5mm及其形位公差。

圖 4
測量工件端面至孔中心距離時,此綜合檢具需采用基準轉換,將孔基準轉換為面基準,降低了檢測難度,大大提高了檢測效率。
M10×1mm螺紋孔與A孔夾角為45°,檢具設計時,將定位心軸削扁,使削扁面與定位襯套孔成45°夾角(見圖5);檢具安裝時,只需將削扁面與定位基準面平行,降低了檢具制造的難度。

圖 5
此綜合檢具使用后,能夠一次性將所有關鍵尺寸快速準確檢驗,降低了勞動強度,提高了檢測效率。檢具中部分測量和定位尺寸采用經驗值,可以滿足裝配要求,其定位及導向尺寸公差予以理想狀態,不計入測量范圍。